• Voor 15.00u besteld. Vandaag verzonden!
  • Gratis verzending vanaf €75,-
  • Meer dan 5000 producten op voorraad

Honda C310s

Honda C310s

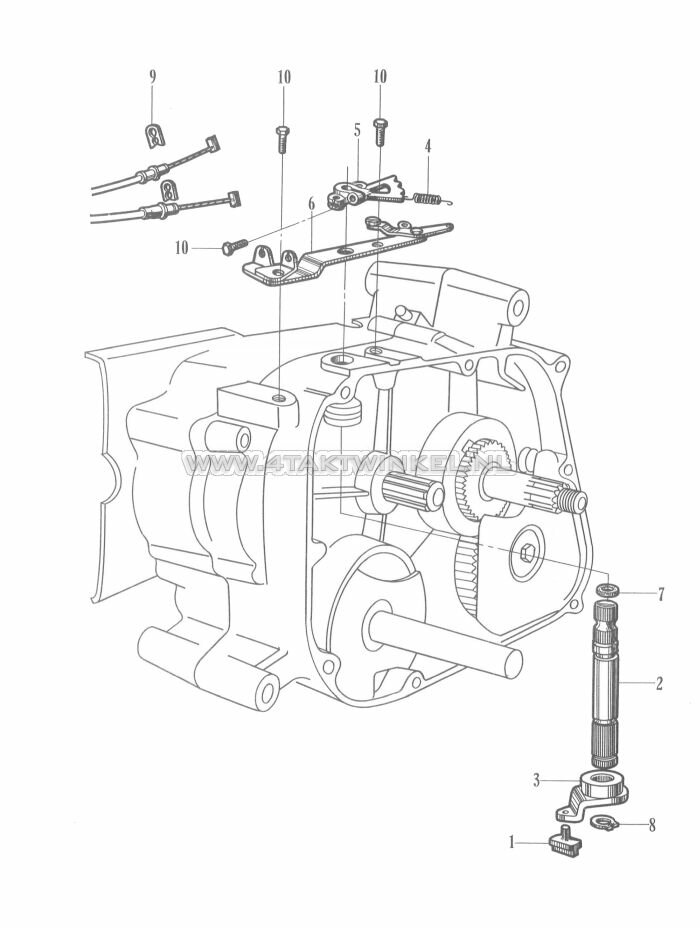
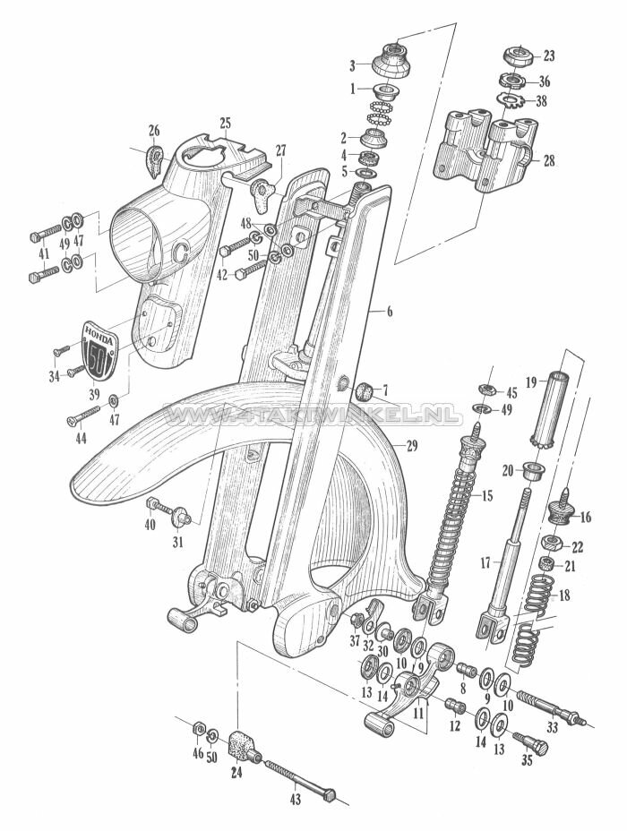
Hier zoek je eenvoudig naar onderdelen via de tekeningen van de Nederlandse Honda C310S.

De eerste bromfiets van Honda geleverd in Nederland in 1963! Speciaal gemaakt voor de Nederlandse markt met trappers in een fabriek in België. Deze stuklijst is voor de S versie die in 1967 op de markt kwam, met de kleppen schuin op zuiger en o.a een andere carburateur. 

Klik op de tekening voor de lijst met de bijbehorende onderdelen.
 

Honda C310a

De eerste Honda bromfiets op de nederlandse markt. geintroduceerd als de Honda C310a in 1963 speciaal ontwikkeld voor de europese markt en geproduceerd in België!
Dit model zorgte voor veel verwarring bij de fietsenmakers, het 4-takt principe was compleet anders dan andere bromfietsen met een 2-takt motor. 3 bak semi-automaat en heel erg zuinig. Deze bromfiets was vooral geliefd bij postbodes die deze in grote aantallen kochten. Echt populair was hij onder jongeren niet. De 2-takt had destijds nog steeds de overhand. 

Honda C310s

In 1967 kwam de opvolger van de C310a; de C310s. Buitenlangse olieleiding en kleppen schuin op de zuiger in combinatie met een andere carburateur zorgte voor meer vermogen. Het verlatingsmechanisme kon makkelijk worden vastgezet waardoor snelheden tot 60km/h gehaald konden worden. 

Veel onderdelen van de c310 zijn inmiddels schaars. Beenkap, achterlicht, tankemblemen, uitlaat en beenkap zijn moeilijk verkrijgbaar. Motorisch zijn nog veel onderdelen leverbaar. Helaas zijn deze stoterstangen motoren niet uitwisselbaar met de moderne motorblokken van een SS50 of een C50. 

We gebruiken cookies om uw browse-ervaring te verbeteren en ons websiteverkeer te analyseren. Door op ‘Accepteren’ te klikken, stemt u in met ons gebruik van cookies.