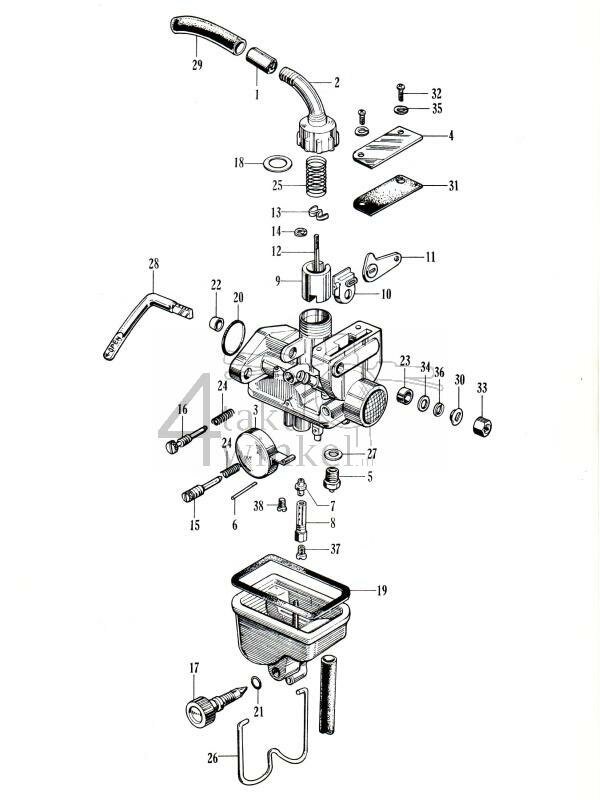
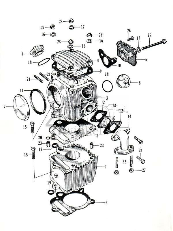
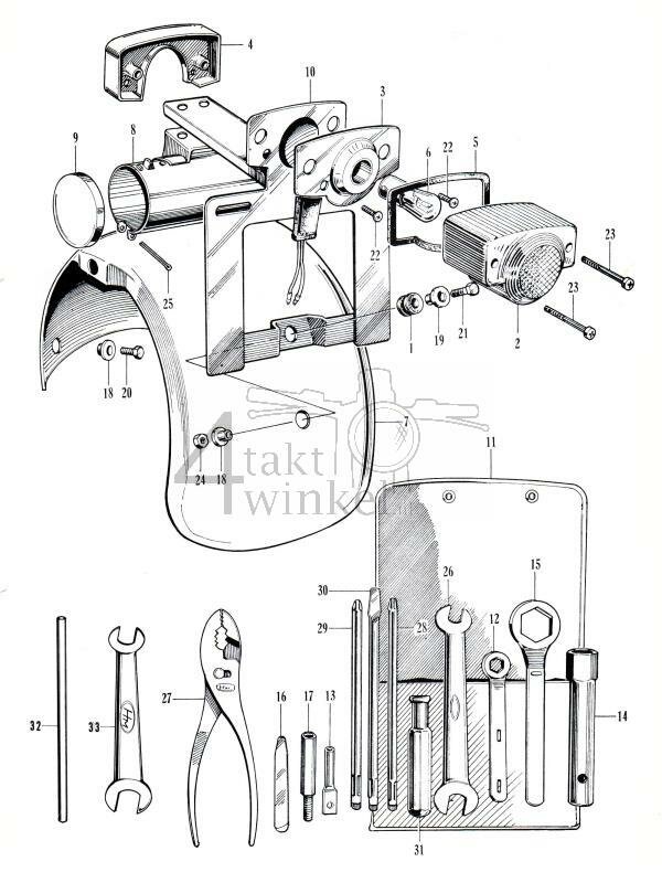
Hier zoek je eenvoudig naar onderdelen via de tekeningen van de Z50M.
Vraag hieronder uw vrijblijvende offerte aan. Wij zullen zo spoedig mogelijk contact met u opnemen.
Vul hieronder je gewenste naam in.
Geef je nieuwe verlanglijst hieronder een naam.