• Voor 15.00u besteld. Vandaag verzonden!
  • Gratis verzending vanaf €75,-
  • Meer dan 5000 producten op voorraad

De luxe versie van de SS50!

De deluxe versie van de SS50! Net zoals de C50 K1 de deluxe versie is van de C50! 6 types zijn er in totaal uitgebracht; een duitse versie, een franse versie en een general export. Maar ook 3 types voor de Filipijnen, Zuid-Afrika en Maleisië. 

  • SS50M-D (General export)
    • Framenummer: SS50-176711 ~ SS50-315641
  • SS50M-G (Duitsland) 
    • Framenummer: SS50-194556 ~ SS50-345211
  • SS50M-F (Frankrijk)
    • Framenummer: SS50-257992 ~ SS50-334101
  • SS50M-PH (Filipijnen)
    • Framenummer: SS50-175411 ~ SS50-234330
  • SS50M-M (Maleisië)
    • Framenummer: SS50-212821 ~ SS50-242211
  • SS50M-SA (Zuid-Afrika)
    • Framenummer: SS50-236932 ~ SS50-345131

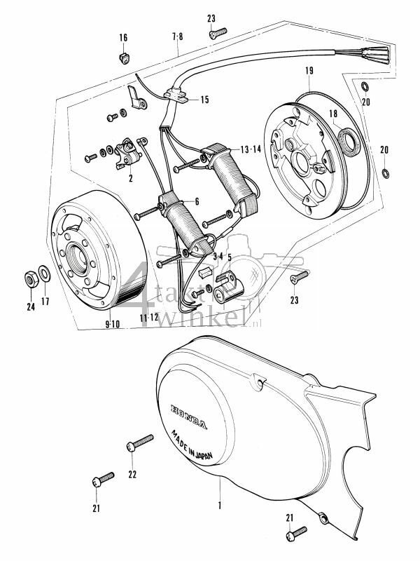
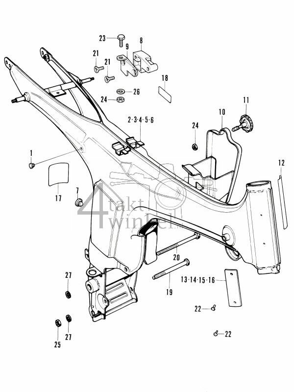
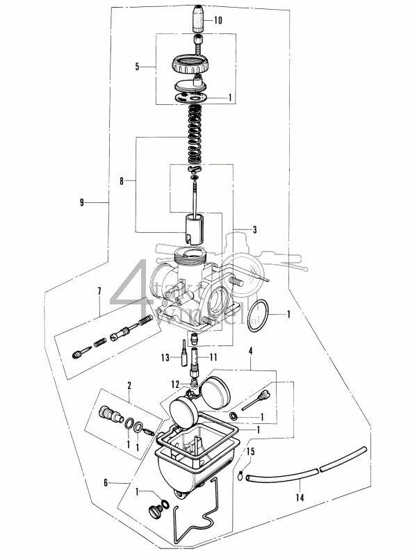
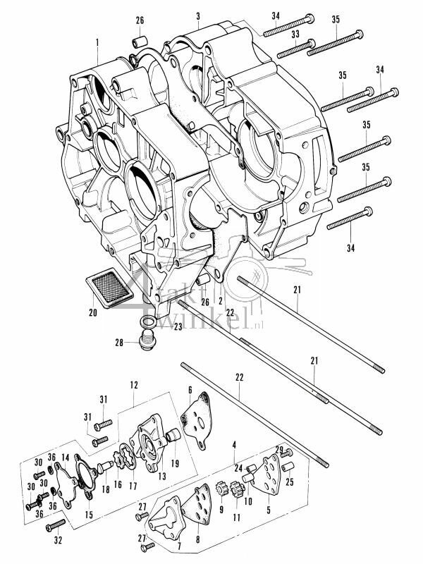
Deze stuklijst is gebasseerd op de SS50M-D. Een general export dus! Te herkennen aan het framenummer, de kenmerkende tank met 5 hoeken en een teller los en boven het koplamphuis! De SS50M versies komen tevens altijd met een halfhoge uitlaat! 

We gebruiken cookies om uw browse-ervaring te verbeteren en ons websiteverkeer te analyseren. Door op ‘Accepteren’ te klikken, stemt u in met ons gebruik van cookies.