De Nederlandse Honda SS50Z K3
De SS50Z K3 is voor Nederland de opvolger van de SS50Z K1. De K0 en K2 zijn voor Nederland min of meer overgeslagen, maar komen wel in andere landen voor.
De K3 is van 1973 tot ongeveer 1978 geleverd. Ondanks dat kan het toch zijn dat je een later geleverde K3 aantreft. Omdat Honda eind jaren 70 met een restvoorraad SS50's bleef zitten, werdt de Jubileum uitvoering bedacht. Deze jubileum uitvoeringen werdt voorzien van de nu zeer gezochte jubileum tank, welke in feite een overgespoten gele, oranje of groene K3 tank is.
Net zoals alle andere brommers in die tijd moest een brommer aan een reeks brom"fiets" regels voldoen, zodoende is de SS50 voor de Nederlandse markt aangepast. Meest opvallend is de witte achterkant van het achterspatbord en de trappers.
Kenmerken Nederlandse Honda SS50Z K3
- Framenummer begint met SS50Z-
- Framenummer heeft na SS50Z- altijd nog 7 cijfers, dus: SS50Z-1234567
- Frame is voorzien van een NL keur: B1220 (NL in cirkel er naast)
- Trapper installatie i.p.v. vaste voetsteunen
- Wit vlak op het achterspatbord
- Begrenzer in de ontsteking op 40 km/h
- Groene tank met gele striping
- Gele tank met oranje striping
- Groene tank met gele striping
- Jubileum tank
- Lang zadel, geschikt voor twee personen
- Voorzien van een bel (geen toeter)
- 50cc 4-takt motor
- 4 versnelling, voet geschakeld, hand gekoppeld
- Hoge uitlaat
- 6 volt elektra systeem
- Contactpunten ontsteking van Hitachi
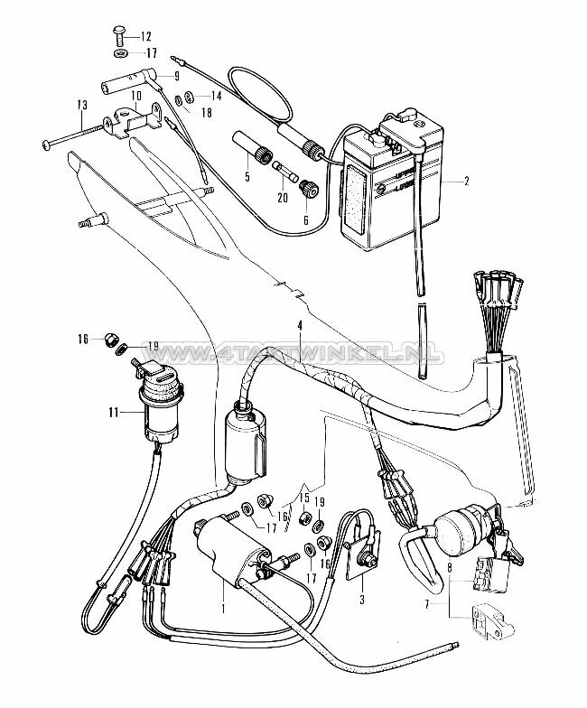
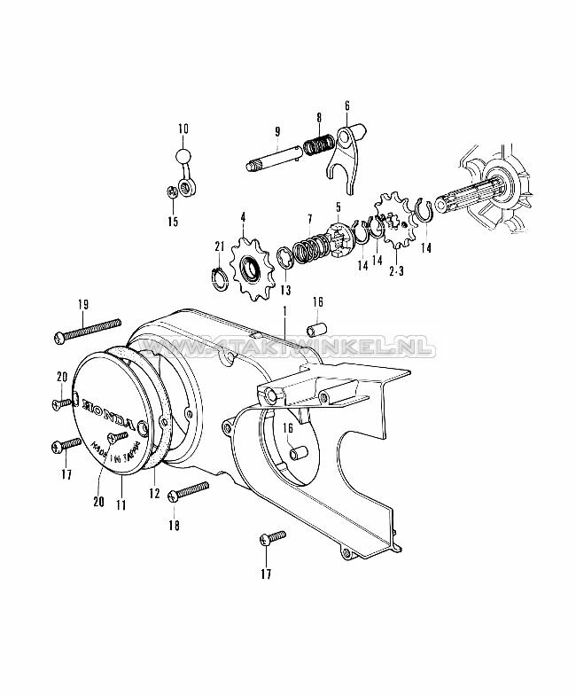
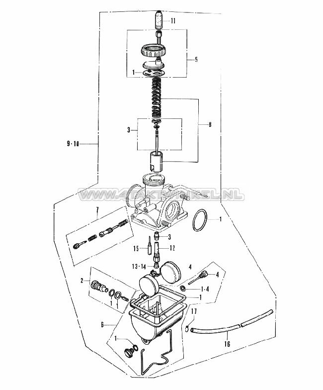
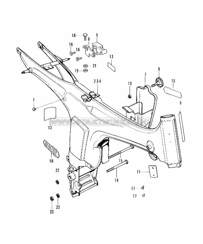
Heb je een Nederlandse SS50?
Gebruik dan de bovenstaande tekeningen om de juiste onderdelen te vinden en te bestellen om jouw Honda SS50 te onderhouden, repareren of te restaureren!
Heb je nog geen SS50?
Kijk dan eens tussen ons aanbod
gebruikte bromfietsen of de
import uit Japan of we nog iets moois voor je te koop hebben!