• Voor 15.00u besteld. Vandaag verzonden!
  • Gratis verzending vanaf €75,-
  • Meer dan 5000 producten op voorraad

Waar is de Mash Fifty Euro4 aan te herkennen?

De Mash Fifty Euro4 is te herkennen aan het zwarte motorblok, de lambda sonde in de uitlaat en de elektronisch geregelde carburateur.

De Mash Fifty Euro4 was leverbaar in het rood en matzwart. Beide werden geleverd met een zwart motorblok. De rode Mash Fifty Euro 4 werd geleverd met verchroomde velgen de matzwarte werd geleverd met zwarte velgen.

In 2021 werd de Mash Fifty Euro4 opgevolgd door de Euro5 variant. De Euro5 variant kenmerkt zich door zijn LED koplamp en injectiesysteem in plaats van carburateur.


Veel verkochte onderdelen voor de Mash Fifty

De meeste verkochte onderdelen voor de Mash Fifty zijn de onderdelen die men gebruikt voor regulier onderhoud:

  • 10W40 Semi-synthetische motorolie
  • Bougie C7HSA van NGK
  • Ketting en tandwielen
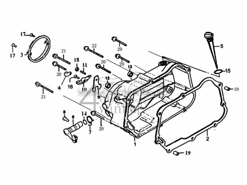
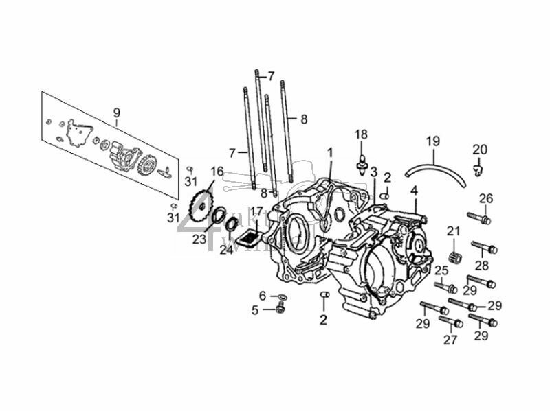
Deze onderdelen zijn eenvoudig te bestellen via de stuklijsttekeningen. Tevens zijn deze onderdelen vaak direct uit voorraad leverbaar.
 

Beschikbaarheid van Mash Fifty onderdelen

De meest verkochte onderdelen voor de Mash Fifty zijn uit voorraad leverbaar. Indien een onderdeel niet op voorraad is dan kan het vaak binnen enkele weken alsnog geleverd worden doordat wij nauw samenwerken met de importeur van Mash in Nederland.

We gebruiken cookies om uw browse-ervaring te verbeteren en ons websiteverkeer te analyseren. Door op ‘Accepteren’ te klikken, stemt u in met ons gebruik van cookies.