• Voor 15.00u besteld. Vandaag verzonden!
  • Gratis verzending vanaf €75,-
  • Meer dan 5000 producten op voorraad

Honda Monkey Z50a K2

Honda Monkey Z50a K2

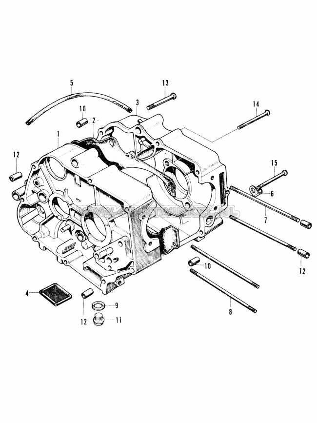
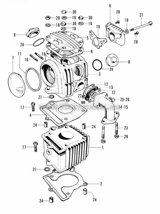
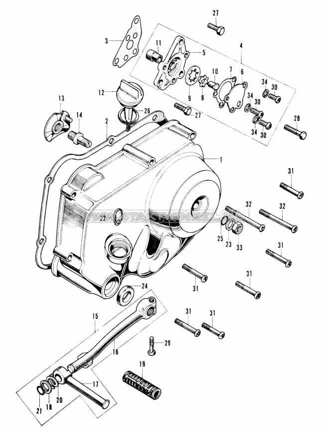
Hier zoek je eenvoudig naar onderdelen via de tekeningen van de Honda Z50a K2

De Z50a K2 is te herkennen aan het hardtail frame maar is wel uitgerust met verlichting voor en achter. 

Klik op de tekening voor de lijst met de bijbehorende onderdelen.

Honda Monkey


Foto

De allerkleinste van de honda line-up. Wat begon als een attractie voor kinderen in een attractiepark in 1961 groeide uit tot een volwaardige line-up van brommers die gegarandeerd een glimlach verzorgen bij de berijder maar ook bij de mensen langs de kant van de weg. Geïntroduceerd als cz100 in 1964 maar snel van naam en model veranderd naar Z50m.

Foto

De Z50M is grofweg in 3 modellen te onderscheiden:
De Europese Z50M die in 1967 in relatief grote aantallen naar europa (frankrijk) geëxporteerd. Dit model is te herkennen aan het opklapbare zadel, 5-inch wieltjes en grote 5-inch koplamp met gele lamp en “lunchbox” uitlaat.
De Japanse Z50M met dezelfde specificaties maar met kleine koplamp.
De general export die o.a naar the UK, Canada en Australië is geëxporteerd met een andere lage uitlaat.

 
Foto

In 1969 kwam Honda met de “tweede generatie” monkey; de Z50A met 8-inch wielen.. Dit keer ook leverbaar in the USA. Het model werd eerst geleverd zonder licht en had in veel landen zoals Amerika geen kenteken. Dit werd in 1970 opgelost. De Z50A had door zijn hardtail veel last van frames met scheuren en honda besloot in 1973 een derde generatie op de markt te brengen.

Foto

In Europa en Japan kwam deze op de markt als de Z50J, terwijl Amerika de naam Z50A mini trail bleef vasthouden. De Z50J is uitgevoerd met normale vering, en bleef met verschillende varianten in europa op de markt tot 1999. Onder andere Finland, Duitsland en frankrijk kregen verschillende uitvoeringen. Ook is de Z50J geleverd als een gorilla uitvoering en als monkey RT.

Foto

In 2006 kwam Honda met een special edition om het 40-jarig jubileum te vieren van de monkey. Dit is de laatste versie met carburateur. 

Foto

In 2019 kwam Honda met de meest recente versie van de Monkey. Met 125cc een lichte motorfiets die niet als brommer op de markt is gekomen. 


Geschiedenis van Monkey 
1961 "Monkey Z100" wordt geproduceerd als een rit door het pretpark van Tama Tech. (Niet te koop).
1963 Het eerste bedrijfsvoertuig "Monkey CZ100" wordt geproduceerd voor export.
1967 Lancering van de "Monkey Z50M", het eerste binnenlandse model dat op de openbare weg kan rijden. Voor- en achterwiel 5 inch maat.
1969 Vrijgegeven van de "Monkey Z50A" met voorwielophanging en voor- en achterwielen uitgebreid tot 8 inch.
1974 Volledig gerenoveerd "Monkey Z50J" uitgebracht. Voorzien van voor- en achtervering.
1978 Uitgebracht met druppelvormige tanks en grote zitplaatsen.
1985 Uitgerust met een nieuwe motor. Verhoogt maximale output en brandstofefficiëntie, neemt handmatige missie met 4 snelheden aan.
1999 Vrijgegeven in overeenstemming met binnenlandse emissievoorschriften (primair) vanwege veranderingen in carburateur instellingen.
2006 'Monkey 40th Anniversary Special' gelanceerd ter herdenking van de 40e verjaardag van Monkey.
2009 Voor het eerst in 30 jaar uitgebracht, vernieuwd uiterlijk en verbeterde milieuprestaties.
2019 Een nieuwe monkey125 kwam op de markt als lichte motorfiets gebaseerd op de Honda MSX.
 


Mocht U interesse hebben in een japanse monkey? Kijk dan eens bij onze japanse brommers op voorraad of even bij import op wens

We gebruiken cookies om uw browse-ervaring te verbeteren en ons websiteverkeer te analyseren. Door op ‘Accepteren’ te klikken, stemt u in met ons gebruik van cookies.