• Voor 15.00u besteld. Vandaag verzonden!
  • Gratis verzending vanaf €75,-
  • Meer dan 5000 producten op voorraad
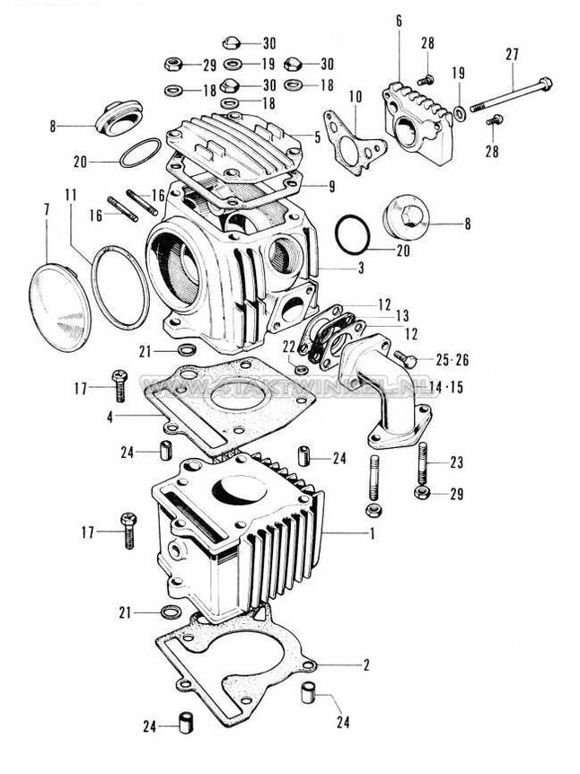
E1 - Cilinderkopdeksels
Inschuiven Uitschuiven
We gebruiken cookies om uw browse-ervaring te verbeteren en ons websiteverkeer te analyseren. Door op ‘Accepteren’ te klikken, stemt u in met ons gebruik van cookies.