• Voor 15.00u besteld. Vandaag verzonden!
  • Gratis verzending vanaf €75,-
  • Meer dan 5000 producten op voorraad
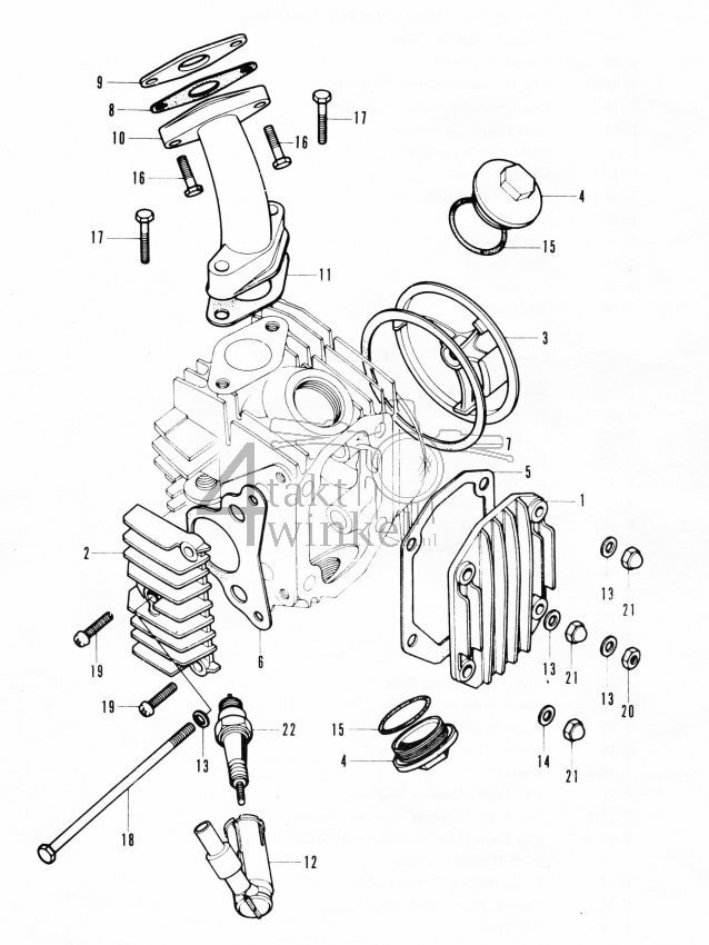
E1 - Cilinderkopdeksels
Inschuiven Uitschuiven