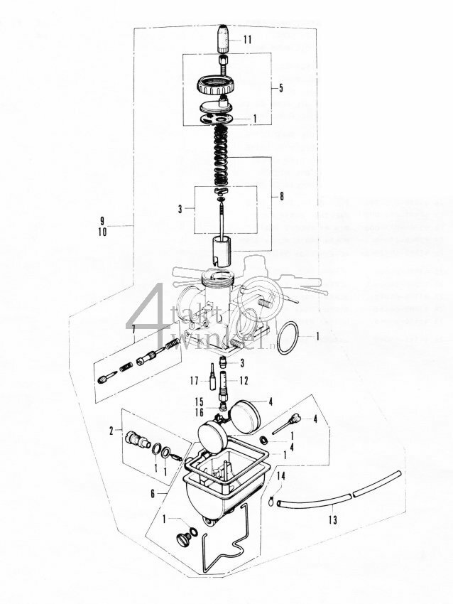
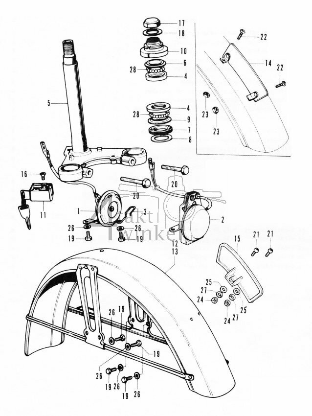
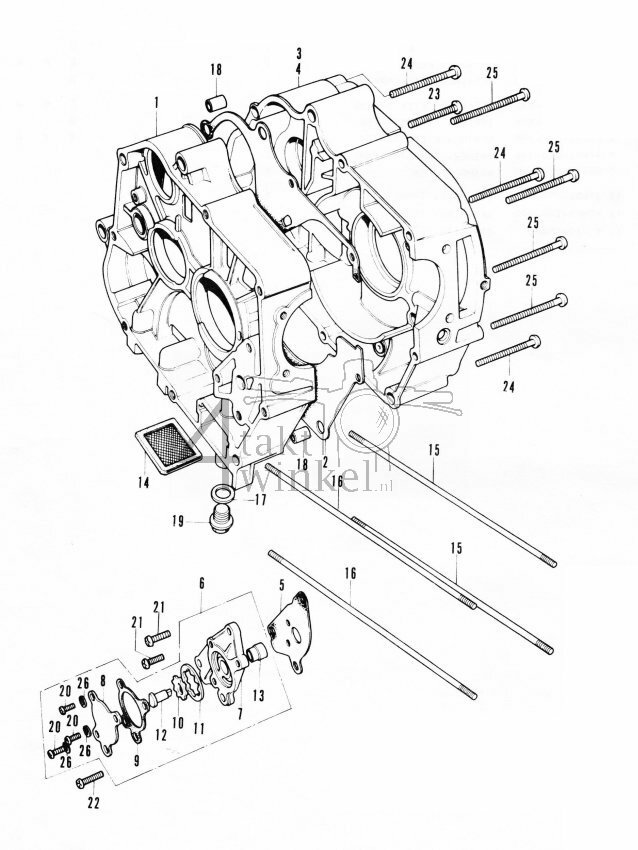
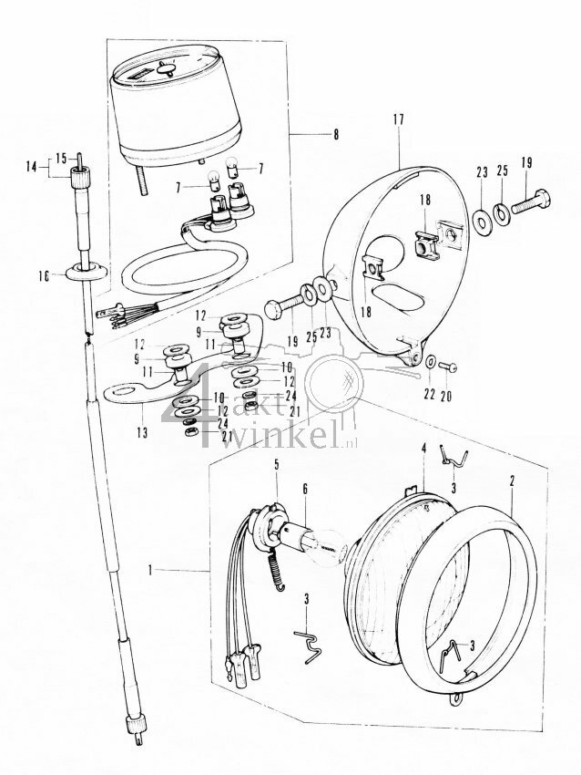
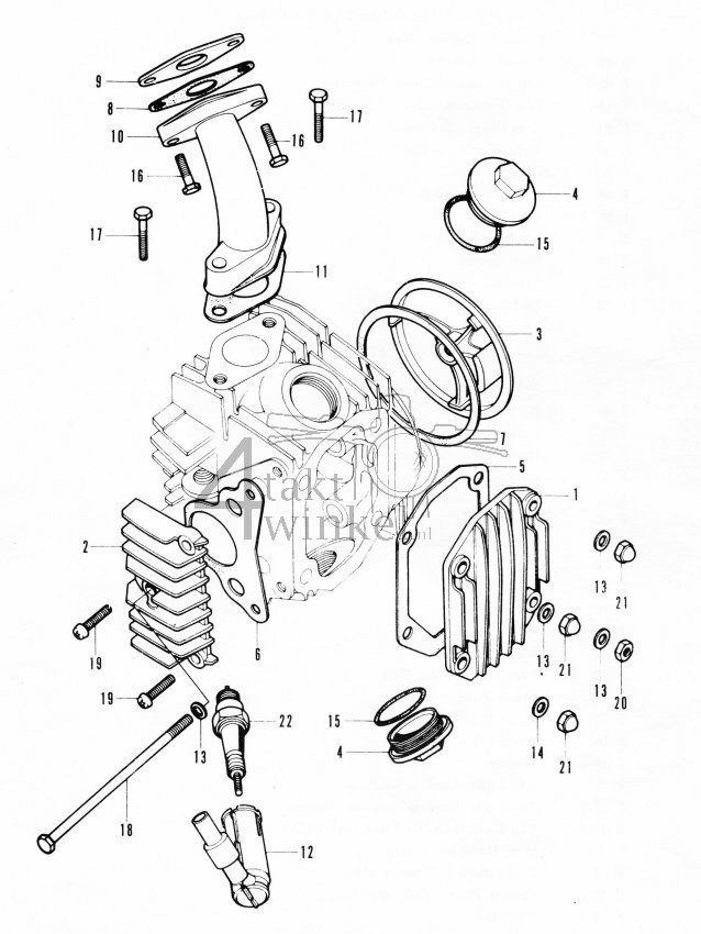
De Honda SS50ZK1
De SS50Z K1 is voor Nederland de eerste en misschien wel de mooiste SS50. De K0 en K2 zijn voor Nederland min of meer overgeslagen, maar komen wel in andere landen voor. De K1 heeft een grijs frame en candy kleuren op de tank. De tank kwam zonder randje en het framenummer heeft 6 cijfers. Ook had deze brommer in Nederland een wit achterspatbord, ulo achterlicht, geel plaatje en trappers. De SS50K1 werd als brommer op de markt gebracht en is in de landen: Nederland, België, Engeland en Frankrijk geleverd. Maar ook zijn er motor edities (snelle versies) te vinden in bijvoorbeeld Japan!
SS50ZK1-B (Belgium)
Deze versie had een chrome achterspatbord met stanley achterlicht. Verder was deze bromfiets identiek aan de Nederlandse versie zonder de Nederlandse trappers, ulo achterlicht en het bekende gele plaatje. Dus ook de begrenzing was hetzelfde!
Framenummers: SS50z-205811 en hoger
SS50ZK1-H (Netherlands)
De Nederlandse SS50K1 met ulo, wit achterspatbord, trappers en het gele plaatje.
Framenummers: SS50z-204801 en hoger
SS50ZK1-F (French)
Het model met het chrome achterspatbord maar nu heeft zadel een kontje! ook had dit model de trappers maar geen plaatje voorop.
Framenummers: SS50z-205311 en hoger
SS50ZK1-E (England)
Het model met het chrome achterspatbord, trappers en zadel zonder kontje
Framenummers: SS50z-212561 en hoger
